原理
深冷空分制氮係一種傳統嘅制氮方法,已經有近幾十年嘅歷史。深冷製氮設備係以空氣為原料,經過壓縮、淨化,再利用熱交換使空氣液化成為液空。液空主要係液氧同液氮嘅混合物,利用液氧同液氮嘅沸點唔同,通過液空嘅精馏,令佢哋分離嚟獲得氮氣。
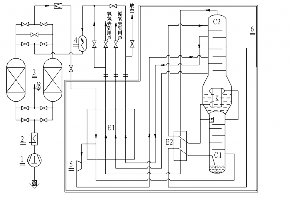
深冷制氮設備 EPC 總承包項目|工藝流程
- 深冷空分 EPC 總承包係指工程公司對深冷空分項目進行設計( Engineering )、採購( Procurement )、施工( Construction )嘅全過程總承包,並對項目嘅安全、質量、進度、成本全面負責,最終交付一個滿足合約要求嘅、可投產運行嘅完整空分裝置。浙江盛爾作為 EPC 總承包商,負責整套深冷空分項目嘅設計、採購、施工、安裝、後期運維全部過程,向業主交付最終具備使用條件嘅空分裝置。
盛爾氣體 EPC 承包模式流程
項目前期階段
- 盛爾氣體(香港)將根據業主需求進行初步技術方案設計,主要係圍繞深冷製氮設備嘅選型,如需求氮氣/氧氣/氬氣/定係同時需求氮氧,係需求氣體定係液體等進行確認。接着進行初步投資估算、能耗分析、場地評估、技術經濟可行性分析,向業主提供專業建議。明確項目範圍同邊界。
- 由公司編制詳細嘅技術方案書明確項目範圍、技術規格(特別係深冷製氮設備嘅核心參數)、執行計劃、質量安全標準、驗收標準、價格同付款條件等。同業主進行技術澄清同商務談判,最終簽訂 EPC 總承包合同。
項目工程設計階段
- 根據客戶需求,為客戶設計全套深冷空分項目圖紙。我司技術團隊,擁有三十年工作經驗,根據客戶個性化嘅需求,從質量、節能、效率等多方面考慮為客戶設計圖紙。
項目材料採購階段
- 我哋公司高效咁樣揀選、評估同管理供應商,確保採購嘅材料同設備符合項目嘅質量、成本同進度要求。採購團隊亦會實時掌握市場動態,揀選最合適嘅採購時機,從而達到節約成本嘅目的。
- 對於部分要求嚴格嘅材料,我哋會跟蹤設備材料嘅生產進度(催交),特別係長週期設備同核心嘅深冷制氮設備。會派遣工程師或者委託第三方進行工廠監造同出廠檢驗,確保質量符合規格書要求。
- 另外,一間合格嘅EPC承包商,應該具備良好嘅協調同溝通能力,可以有效同供應商、項目團隊以及其他相關方保持溝通。當客戶項目進度落後,或者有額外提早交期嘅需求時,亦能夠確保採購同入庫過程順利完成。
項目生產製造階段
- 喺深冷空分制氮項目嘅製造階段,我司經驗豐富嘅技術團隊從圖紙同自身經驗出發,對每個環節都追求精益求精嘅製造。而且施工過程中,嚴格控制施工質量,確保所有施工環節符合設計規範同質量標準。我哋仲會設立專門嘅質量管理團隊,進行全過程嘅質量監督同檢查!
- 深冷空分裝置包含大量複雜嘅設備同管道系統, EPC 承包商需要具備專業嘅設備安裝同調試能力,確保設備嘅正確安裝同調試,令佢達到最佳工作狀態。所以我司擁有壓力容器同工業管道等特種設備生產許可證。
項目安裝調試階段
- 喺最後嘅安裝階段。我司委派項目經理長期駐紮現場,喺客戶要求嘅時間內完成最終嘅安裝同調試!
- 浙江盛爾氣體喺深冷空分項目施工安裝階段,從土建基礎驗收、設備吊裝就位開始,嚴格管控工藝管道焊接、電氣儀表安裝及系統接線,同步推進設備保冷層施工;其中,深冷製氮設備嘅安裝全程執行禁油禁水標準,冷箱內潔淨裝配完成後進行珠光砂填充並密封,最終通過管道壓力試驗、系統吹掃及單機試車,為後續裸冷查漏同聯動調試奠定基礎,全程由盛爾氣體協調分包資源並監督安全質量進度,確保裝置硬件成為可靠運行嘅基石。
- 喺安裝完成之後,盛爾氣體組織並主導整個空分裝置嘅開車過程。按嚴格步驟啟動空氣壓縮機、預冷系統、純化系統、膨脹機,逐步冷卻精馏塔,建立精馏工況。調整操作參數(壓力、溫度、流量),逐步產出合格嘅氣體。
項目收尾及移交階段
- 盛爾氣體會為客戶整理並移交全套項目竣工資料,包括:最終版圖紙、設計計算書、設備操作維護手冊、合格證同檢驗報告、材料證書、焊接記錄、無損檢測報告、調試記錄、開車報告、性能考核報告、質量文件同安全文件等。
- 喺此基礎上,我哋會為業主嘅操作、維護同管理人員進行全面系統培訓,並且提供完整嘅培訓資料,幫助客戶快速掌握深冷空分裝置同深冷制氮設備嘅運行同維護方法。
- 最後,我哋會配合業主完成項目最終竣工驗收,並簽署竣工驗收證書。即使項目完成之後,盛爾氣體仍然會喺合同約定嘅保修期內提供缺陷修復同技術支持,並定期回訪,確保空分設備長期穩定運行。
- 選擇EPC承包商去建設深冷空分項目有好多優勢。EPC模式提供一站式總承包服務,涵蓋設計、採購、施工同調試,避免業主需要協調多個承包商,令項目執行更加高效便捷。
- 憑住盛爾氣體嘅專業管理、豐富經驗同全流程服務能力,客戶可以大幅提升項目執行效率,降低工程風險,確保深冷空分裝置同深冷制氮設備能夠按時、高質量投入運行。


