深冷空分简介
深冷空分技术(Cryogenic Air Separation)是现在最成熟和稳定的工业气体生产方法,广泛应用于化工、能源、冶金、电子、新材料和医药等领域。在香港和国际市场,深冷空分设备能稳定提供高纯度的氮气、氧气和稀有气体,为不同行业的精密制程提供可靠气源。 PSA变压吸附制氮装置是采用碳分子筛做吸附剂,利用变压吸附原理来生产氮气的设备。在一定压力之下,利用空气中氧、氮在碳分子筛表面的吸附量差异——即碳分子筛对氧的扩散吸附远大于氮。通过可编程控制气动阀的开关,实现A、B两塔交替循环,让制氮装置完成加压吸附、减压脱附的过程,最终分离出氧氮,获得所需纯度的氮气。
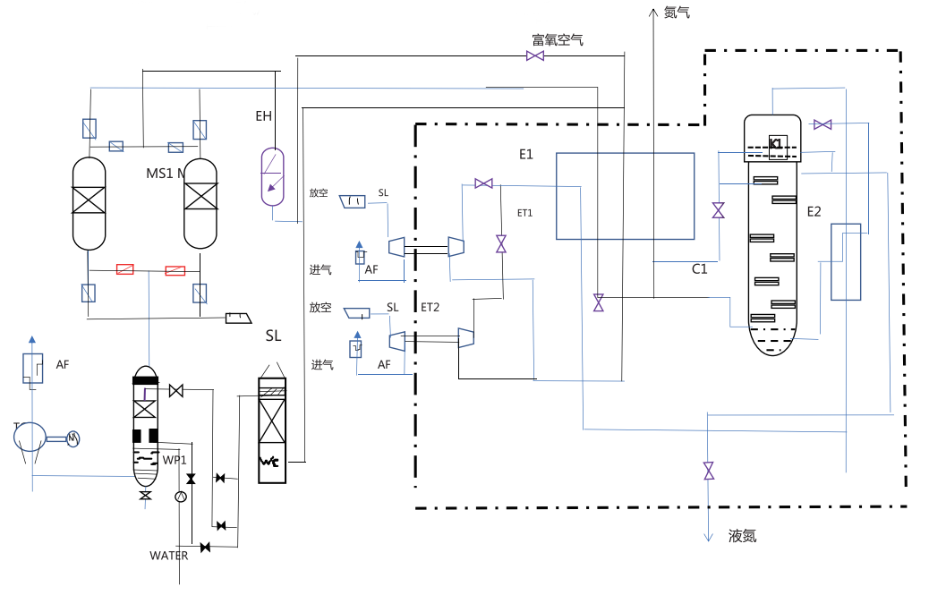
深冷空分工艺流程
- 原料空气首先经空气压缩机压缩至0.7~0.85 MPa,再进入预冷系统降温至预冷系统降温至 °C,以去除绝大部分水份。
随后,空气流入深冷纯化器(分子筛吸附系统),进一步吸附并过滤掉残余的水份、二氧化碳及碳氢化合物,确保进塔气体洁净无杂质。 - 经过纯化后的空气进入膨胀机膨胀制冷,产生所需低温冷量,为后续液化与分离提供条件。
在主换热器中,压缩空气与返流的氮气、氧气及污氮气进行热交换——一方面将空气冷却至接近液化温度,另一方面将回流气体加热至接近环境温度。 - 氮气经过冷器进一步过冷,液空及液氮在节流前完成热平衡。随后,空气进入高低压精馏塔系统进行分离:
上塔顶部提取高纯氮气产品;
上塔底部获取高纯氧气产品。
- 整个深冷空分流程结构紧凑、能效高,能稳定提供高純度氮氣及氧氣,廣泛應用於化工、電子、新能源、鋼鐵、醫藥等行業。
动力系统
深冷空分装置中的动力系统主要由原料空气压缩机构成。空分设备通过低温分离工艺获取氧气、氮气等气体,本质上是能量转换的过程。整套装置的能量主要由压缩机输入,而空气分离所需的总能耗中,大部分由原料空气压缩机消耗。因此,压缩机的效能直接决定着空分系统的能效水平。
净化系统
净化系统由空气预冷系统(空冷系统)及分子筛纯化系统组成。经压缩后的空气先经预冷器以接触式换热降温,并去除酸性杂质;之后再通过分子筛吸附,除去水份、二氧化碳、乙炔、丙烯、丙烷、重烃及氧化亚氮等有害物质,确保进入冷箱前的空气洁净干燥,保障设备低温运行安全。
制冷系统
深冷空分设备是依靠膨胀制冷运行,整个系统严格遵循经典制冷循环原理。当提到空分装置的制冷系统,主要是指膨胀机,其通过高压空气绝热膨胀产生冷量,为冷箱提供低温环境,让空气液化并完成气体分离,是整套空分系统的核心制冷单元。
热交换系统
深冷空分设备的热平衡由制冷系统和热交换系统共同完成。热交换器负责冷量回收与温度调节,确保气流达到稳定热平衡。现代空分装置多采用铝制板翅式换热器,具备导热快、效率高、结构紧凑等优点,让整套系统运行更稳定、更节能。
精馏系统
深冷空分设备的核心,实现低温分离的重要设备。通常采用高、低压两级精馏方式。主要由低压塔、中压塔和冷凝蒸发器组成。
深冷空分正流膨胀制氮
- 一般适用于用户对氮气产品压力要求较低的场合(例如低于0.2 MPa)。
- 原料空气经除尘、压缩、预冷及净化后,会被分成两股:
第一股空气进入主换热器,与返流的污氮气进行热交换,被冷却至一定温度后从主换热器中段抽出进行膨胀。膨胀后的低温空气进入氮塔底部参与精馏;
第二股空气则在主换热器中被冷却至饱和温度后,直接经节流阀进入氮塔,与前者一同完成气液分离。
- 在氮塔顶部可获得产品氮气,
而氮塔底部的富氧液空经节流后进入冷凝蒸发器蒸发侧,用于冷凝塔顶气氮。
冷凝蒸发器顶部抽出的富氧体再返回主换热器冷端,与正流空气进行热交换并复热至常温后排出冷箱。
其中一部分气体可用于分子筛吸附器再生,其余则直接放空。 - 最终,从氮塔顶部取得的氮气经主换热器复热至常温后排出冷箱,供应至用户端使用。
反流膨胀制氮
- 一般适用于用户对氮气产品压力有一定要求的场合(如高于0.2 MPa)。
- 原料空气经除尘、压缩、预冷及净化后进入主换热器,
在主换热器中与热交换后,带有少量冷却水份饱和至热交换,被少量冷却水份饱和至热交换后data-start="335" data-end="338">进入氮塔底部参与精馏分离。 - 在氮塔顶部可获得产品液氮及气氮;
而氮塔底部的富氧液空经节流后进入冷凝蒸发器蒸发侧,
用于冷凝塔顶的气氮,完成气液换热。 - 从冷凝蒸发器顶部抽出的富氧气体大部分返回主换热器冷端,
经复热至一定温度后从中部抽出,进入透平膨胀机进行膨胀,
为整套纯氮系统提供所需冷量。 - 膨胀后的富氧空气与另一股节流后的富氧体混合,
再次进入主换热器冷端与正流空气进行热交换,
最终复热至常温后排出冷箱。
其中一部分用于分子筛吸附器再生,其余则放空。 - 从氮塔顶部引出的氮气经主换热器复热至常温后出冷箱,供应予用户使用。
深冷空分设备规格参数





